DZ47SLE-63 Seria Earth Circuit Circuit jest odpowiednia do obwodu AC 50 Hz/60 Hz z napięciem znamionowym do 400 V i prądu znamionowego do 63A. Może natychmiast odciąć wadliwy zasilanie, aby chronić bezpieczeństwo osobiste i sprzęt elektryczny z okazji osobistego porażenia elektrycznego lub prądu upływu poza wartością znamionową. Może również chronić obwód i przeciążenie lub zwarcie elektromotoru, używane do rzadkiej zmiany i uruchamiania w obwodzie.
Breaker jest zgodny z IEC61009-1, GB16917.1.
◇ Wysokość: ≤2000 m;
◇ Temperatura środowiska: -5 ℃ ~+40 ℃, przy średniej wartości nieprzekraczającej+35 ℃ ponad 24 godziny;
◇ wilgotność środowiska: nieprzekraczająca 50% przy maksymalnej temperaturze otoczenia+40 ℃, przy wyższej wilgotności względnej w niższych temperaturach, takich jak osiągnięcie 90% przy 20 ℃, biorąc pod uwagę kondensację powierzchni produktu z powodu zmian temperatury;
◇ Warunki instalacji: Zewnętrzne pole magnetyczne miejsca instalacji nie powinno przekraczać 5 -krotności pola geomagnetycznego w dowolnym kierunku. Odłączniki obwodów obsługiwanych przez resztkowe prądu powinny być ogólnie instalowane pionowo, a uchwyt skierowany jest do góry, aby połączyć się z zasilaczem. W miejscu instalacji nie powinno być znaczącego wpływu ani wibracji;
◇ Kategoria instalacji: II;
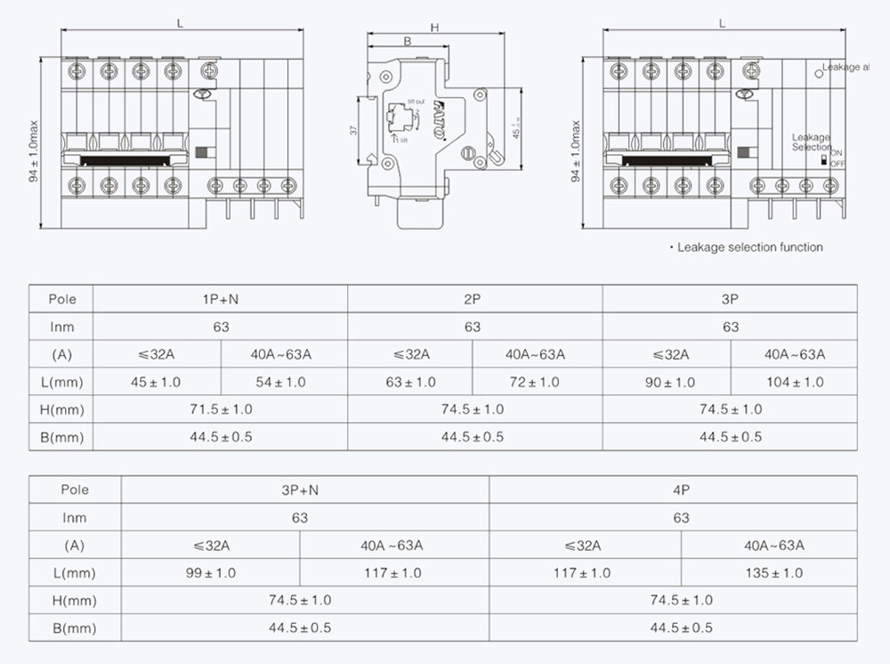
◇ Typ instalacji: Przyjmowana jest standardowa instalacja kolei przewodnika TH35-7.5;
◇ Poziom zanieczyszczenia: 2;
◇ Metoda okablowania: Użyj śrub, aby dokręcić okablowanie.


